|
种属 |
人 |
|
别称 |
2BS |
|
组织来源 |
胎儿肺 |
|
疾病 |
有限细胞系 |
|
传代比例/细胞消化 |
1:2传代,消化1-2分钟 |
|
完全培养基配置 |
MEM培养基;10%胎牛血清;1%双抗 |
|
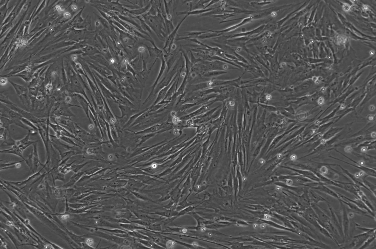
形态 |
成纤维细胞样 |
|
生长特征 |
贴壁生长 |
|
倍增时间 |
每周 2 至 3 次 |
|
STR |
Amelogenin X CSF1PO 10,12 D2S1338 19,20 D3S1358 15 D5S818 11 D6S1043 13,14 D7S820 8,11 D8S1179 11,13 D12S391 20,21 D13S317 8,11 D16S539 9,12 D18S51 14,17 D19S433 13,14 Penta E 7,11 D21S11 29,30 FGA 19,22 Penta D 11,13 |
|
培养条件 |
气相:空气,95%;二氧化碳,5%。 温度:37摄氏度,培养箱湿度为70%-80%。 |
|
冻存条件 |
冻存液:90%FBS,DMSO 10%, 或使用非程序冻存液:官网货号JY-H040 |
|
产品使用 |
仅限于科学研究,不可作为动物或人类疾病的治疗产品使用。 |
